简体
  • 简体中文
  • 繁体中文

热门资讯> 正文

变压器差动保护的基本原理及逻辑图

2025-07-14 20:55

(转自:电力四射)

变压器差动保护的基本原理及逻辑图

1、变压器差动保护的工作原理   

与线路纵差保护的原理相同,都是比较被保护设备各侧电流的相位和数值的大小。

2、变压器差动保护与线路差动保护的区别:

由于变压器高压侧和低压侧的额定电流不相等再加上变压器各侧电流的相位往往不相同。因此,为了保证纵差动保护的正确工作,须适当选择各侧电流互感器的变比,及各侧电流相位的补偿使得正常运行和区外短路故障时,两侧二次电流相等。例如图8-5所示的双绕组变压器。

变压器纵差动保护的特点

1 、励磁涌流的特点及克服励磁涌流的方法

(1)励磁涌流:

在空载投入变压器或外部故障切除后恢复供电等情况下在空载投入变压器或外部故障切除后恢复供电等情况下,变压器励磁电流的数值可达变压器额定6~8倍变压器励磁电流通常称为励磁涌流。

(2)产生励磁涌流的原因

因为在稳态的情况下铁心中的磁通应滞后于外加电压90°,在电压瞬时值u=0瞬间合闸,铁芯中的磁通应为-Φm。但由于铁心中的磁通不能突变,因此将出现一个非周期分量的磁通+Φm,如果考虑剩磁Φr,这样经过半过周期后铁心中的磁通将达到2Φm+Φr,其幅值为如图8-6所示。此时变压器铁芯将严重饱和,通过图8-7可知此时变压器的励磁电流的数值将变得很大,达到额定电流的6~8倍,形成励磁涌流。

(3)励磁涌流的特点:

①励磁电流数值很大,并含有明显的非周期分量,使励磁电流波形明显偏于时间轴的一侧。

②励磁涌流中含有明显的高次谐波,其中励磁涌流以2次谐波为主。

③励磁涌流的波形出现间断角。

表8-1 励磁涌流实验数据举例

(4)克服励磁涌流对变压器纵差保护影响的措施:

①采用带有速饱和变流器的差动继电器构成差动保护;

②利用二次谐波制动原理构成的差动保护;

③利用间断角原理构成的变压器差动保护;

④采用模糊识别闭锁原理构成的变压器差动保护。

2、不平衡电流产生的原因

(1)稳态情况下的不平衡电流

①变压器两侧电流相位不同

电力系统中变压器常采用Y,d11接线方式,因此,变压器两侧电流的相位差为30°,如下图所示,Y侧电流滞后△侧电流30°,若两侧的电流互感器采用相同的接线方式,则两侧对应相的二次电流也相差30°左右,从而产生很大的不平衡电流。

②电流互感器计算变比与实际变比不同

由于变比的标准化使得其实际变比与计算变比不一致,从而产生不平衡电流。

【实例分析1】由电流互感实际变比与计算变比不等产生的不平衡电流分析

在表8-2中,变压器型号、变比、Y,d11 接线。计算由于电流互感器的实际变比与计算不等引起的不平衡电流。计算结果如表8-2。由表8-2可见,由于电流互感器的实际变比与计算变比不等,正常情况将产生0.21A的不平衡电流。

表8-2 计算变压器额定运行时差动保护臂中的不平衡电流

③变压器各侧电流互感器型号不同

由于变压器各侧电压等级和额定电流不同,所以变压器各侧的电流互感器型号不同,它们的饱和特性、励磁电流(归算至同一侧)也就不同,从而在差动回路中产生较大的不平衡电流。

④变压器带负荷调节分接头

变压器带负荷调整分接头,是电力系统中电压调整的一种方法,改变分接头就是改变变压器的变比。整定计算中,差动保护只能按照某一变比整定,选择恰当的平衡线圈减小或消除不平衡电流的影响。当差动保护投入运行后,在调压抽头改变时,一般不可能对差动保护的电流回路重新操作,因此又会出现新的不平衡电流。不平衡电流的大小与调压范围有关。

(2)暂态情况下的不平衡电流

暂态过程中不平衡电流的特点:

①暂态不平衡电流含有大量的非周期分量,偏离时间轴的一侧。

②暂态不平衡电流最大值出现的时间滞后一次侧最大电流的时间(根据此特点靠保护的延时来躲过其暂态不平衡电流必然影响保护的快速性,甚至使变压器差动保护不能接受)。    

减小不平衡电流的措施

(1)减小稳态情况下的不平衡电流

变压器差动保护各侧用的电流互感器,选用变压器差动保护专用的D级电流互感器;当通过外部最大稳态短路电流时,差动保护回路的二次负荷要能满足10%误差的要求。

(2)减小电流互感器的二次负荷

这实际上相当于减小二次侧的端电压,相应地减少电流互感器的励磁电流。减小二次负荷的常用办法有:减小控制电缆的电阻(适当增大导线截面,尽量缩短控制电缆长度);采用弱电控制用的电流互感器(二次额定电流为lA)等。

(3)采用带小气隙的电流互感器

这种电流互感器铁芯的剩磁较小,在一次侧电流较大的情况下,电流互感器不容易饱和。因而励磁电流较小,有利于减小不平衡电流。同时也改善了电流互感器的暂态特性。

(4)减小变压器两侧电流相位不同而产生的不平衡电流采用相位补偿

①采用适当的接线进行相位补偿法。

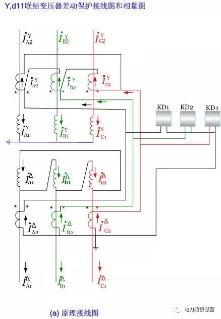
图8-10 Y,d11接线变压器差动保护接线图和相量图 图8-10 Y,d11接线变压器差动保护接线图和相量图

如变压器为Y,d11接线其相位补偿的方法是将变压器星形侧的电流互感器接成三角形,将变压器三角形侧的电流互感器接成星形,如图8-10(a)所示,以补偿30°的相位差。图8-10(b)为星形侧的一次电流和三角形侧的一次电流,及其相位关系。采用相位补偿接线后,变压器星形侧电流互感器二次回路侧差动臂中的电流分别为(右上图红色),它们刚好与三角形侧电流互感器二次回路中的电流同相位,如图8-10(c)所示。这样,差动回路中两侧的电流的相位相同。

②数值补偿

变压器星形侧电流互感器变比

变压器三角形侧电流互感器变比

③软件校正

微机保护中采用软件进行相位校正

(5)减小电流互感器由于计算变比与标准变比不同而引起的不平衡电流采用数值补偿

①采用自耦变流器。

②利用BCH型差动继电器中的平衡线圈。

③在变压器微机保护的软件中采用补偿系数使差动回路的不平衡电流为最小。

(6)由变压器两侧电流互感器型号不同而产生的不平衡电流

    在差动保护的整定计算中加以考虑。

(7)由变压器带负荷调整分接头而产生的不平衡电流

    在变压器差动保护的整定计算中考虑。

    在稳态情况下,变压器的差动保护的不平衡电流可由下式决定

(8)减小暂态过程中非周期分量电流的影响

①差动保护采用具有速饱和特性的中间变流器,

②选用带制动特性的差动继电器或间断角原理的差动继电器等,利用其它方法来解决暂态过程中非周期分量电流的影响问题。

8.3.4和差式比率制动式差动保护原理

1.双绕组变压器比率制动的差动保护原理。

(1)和差式比率制动的动作判据

①差动电流:

②制动电流:

③差动保护动作的第一判据:

④制动比率系数:

⑤外部故障时,保护可靠地不动作。应满足如下判据:

⑥差动保护动作的第二判据

2.比率制动特性的整定

(1)最小启动电流Iact0

(2)拐点制动电流Ibrk0可选取

(3)最大制动系数Kbrk.max和制动特性斜率S

①最大制动系数

②比率制动特性曲线如下图

③比率制动系数的整定值D取0.3~0.5

④比率制动特性的斜率S,由上图可知    

当Ibrk0<

即比率制动特性的折线BC过坐标原点,在任何制动电流下有相同的制动系数。

(4)内部故障灵敏度校验

在系统最小运行方式下,计算变压器出口金属性短路的最小短路电流(周期分量),同时计算相应的制动电流,由相应的比率制动特性查出对应与的起动电流则灵敏系数

要求Ksen>2.0

3.三绕组变压器比率制动的差动保护原理。

对于三绕组变压器,其差动保护的原理与双绕组变压器的差动保护原理相同,但差动电流和制动电流及最大不平衡电流应做相应的更改。差动电流和制动电流分别为

在有的变压器差动保护直接取三侧中最大电流为制动电流,即

最大不平衡电流的计算公式如下:

在微机保护中,考虑采用数值补偿系数后误差非常小Δm≈0,则上式为

4.励磁涌流闭锁原理

采用二次谐波制动原理

在变压器励磁涌流中含有大量的二次谐波分量,一般约占基波分量的40%以上。利用差电流中二次谐波所占的比率作为制动系数,可以鉴别变压器空载合闸时的励磁涌流,从而防止变压器空载合闸时保护的误动。

在差动保护中差电流的二次谐波幅值用表示,差电流中二次谐波所占的比率可表示为如下式:

如选二次谐波制动系数为定值D3,那么只要大于定值D3,就可以认为是励磁涌流出现,保护不应动作。在值小于D3,同时满足比率差动其他判据时才允许保护动作。

 ∴比率差动保护的第三判据应满足下式    

二次谐波制动系数D3,有0.15、0.2、0.25三种系数可选 。

5.差动速断保护

(1)采用差动速断保护的原因

一般情况下比率制动原理的差动保护能作为电力变压器主保护,但是在严重内部故障时,短路电流很大的情况下,TA严重饱和使交流暂态传变严重恶化,TA的二次侧基波电流为零,高次谐波分量增大,反应二次谐波的判据误将比率制动原理的差动保护闭琐,无法反映区内短路故障,只有当暂态过程经一定时间TA退出暂态饱和比率制动原理的差动保护才动作,从而影响了比率差动保护的快速动作,所以变压器比率制动原理的差动保护还应配有差动速断保护,作为辅助保护以加快保护在内部严重故障时的动作速度。差动速断保护是差动电流过电流瞬时速动保护。

(2)差动速断的整定值按躲过最大不平衡电流和励磁涌流来整定           

6.变压器比率差动保护程序逻辑框图

(1)变压器差动保护程序逻辑框图

2)变压器差动保护程序逻辑原理

在程序逻辑框图中D1=Iact0、D2=KrelId/Ibrk为比率制动系数 整定值,D3为二次谐波制动系数整定值。可见比率差动保护动作的三个判据是“与”的关系(图8-14中的与门Y2),必须同时满足才能动作于跳闸。而差动速断保护是作为比率差动保护的辅助保护。其定值为D4=Iact.s,在比率差动保护不能快速反映严重区内故障时,差动速断保护应无时延地快速出口跳闸。因此这两种保护是“或”的逻辑关系(图8-14中 的或门H3)。比率差动保护在TA二次回路断线时会产生很大的差电流而误动作,所以必须经TA断线闭锁的否门再经与门Y3才能出口动作。当TA断线时 与门Y3被闭锁住,不能出口动作。

免责声明:本文系网络转载,版权归原作者所有。所转载文章并不代表本公众号赞同其观点和对其真实性负责。但因转载众多,无法确认真正原始作者,如涉及作品版权问题,请及时联系我们,我们将删除内容以保证您的权益!

风险及免责提示:以上内容仅代表作者的个人立场和观点,不代表华盛的任何立场,华盛亦无法证实上述内容的真实性、准确性和原创性。投资者在做出任何投资决定前,应结合自身情况,考虑投资产品的风险。必要时,请咨询专业投资顾问的意见。华盛不提供任何投资建议,对此亦不做任何承诺和保证。